Fiber-Optic CablesNF Series Liquid/Water detection type
Fiber-Optic Cables for detecting liquid
- Lineup of liquid level detection and water detection devices
- A liquid accumulation prevention structure is used for all liquid level contact type models NF-DF07, NF-TF01, NF-DA52, NF-DA53:
End of sales by August 2025

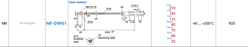
Water detection type Fiber-Optic Cables (through-beam type)
*Download the drawing to check the tolerances.
Click the image to enlarge.
Use D4IF Fiber-Optic Cables for water detection.
The sensing distances for the diffuse type Fiber-Optic Cables are values on 500 × 500 mm white paper.
Install with an ambient humidity between 35 and 85%. In the case of 85% RH, the ambient temperature should be between 0 and 40℃.
Water detection type Fiber-Optic Cables (Diffuse type)
*Download the drawing to check the tolerances.
Click the image to enlarge.
Use D4IF Fiber-Optic Cables for water detection.
The sensing distances for the diffuse type Fiber-Optic Cables are values on 500 × 500 mm white paper.
Install with an ambient humidity between 35 and 85%. In the case of 85% RH, the ambient temperature should be between 0 and 40℃.





