Fiber-Optic CablesNF Series Flexible type (R1 mm, R2 mm)
Easy to handle Fiber-Optic Cables with a bending radius of 1 mm or 2 mm
- Extra space is unnecessary as the bending radius is 1 mm or 2 mm. Also prevents snagging
- Over 30 types are available, including through-beam types and diffuse types

Flexible type Fiber-Optic Cables (through-beam type)
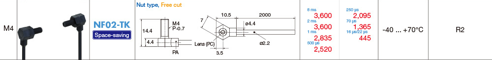
*Download the drawing to check the tolerances.
Click the image to enlarge.
Install with an ambient humidity between 35 and 85%. In the case of 85% RH, the ambient temperature should be between 0 and 40℃.
Flexible wide screen type Fiber-Optic Cables (through-beam type)
*Download the drawing to check the tolerances.
Click the image to enlarge.
Install with an ambient humidity between 35 and 85%. In the case of 85% RH, the ambient temperature should be between 0 and 40℃.
Flexible square type Fiber-Optic Cables (through-beam type)
*Download the drawing to check the tolerances.
Click the image to enlarge.
Install with an ambient humidity between 35 and 85%. In the case of 85% RH, the ambient temperature should be between 0 and 40℃.























